VRB Series Inline Planetary Gearbox
The VRB Series inline planetary gearbox is designed for servo-driven automation systems requiring compact installation, high torque transmission, stable positioning, and reliable motion control. It is suitable for CNC machines, robotics, packaging machinery, automation equipment, and precision industrial drive systems.
Request a Quote View Specifications
Key Advantages of VRB Series
Inline Structure
Coaxial input and output design for compact servo transmission layouts.
High Torque Density
Stable torque output in limited installation space.
Precision Motion
Suitable for positioning, indexing, feeding, and speed control.
Servo Motor Matching
Supports common servo motor interfaces for industrial automation.
Ordering Code Representation
The VRB model code defines the gearbox series, frame size, ratio, motor shaft diameter, motor pilot diameter, motor mounting hole pitch, screw size, and reducer output shaft diameter.
VRB / VRBR
60 / 90 / 120 / 140 / 180
L1: 3–10
L2: 12–100
Motor Interface and Installation Dimensions
Before ordering, please confirm the servo motor interface and reducer output dimensions. These values affect the matching between the motor, flange, shaft, and gearbox input side.
Motor Shaft Diameter
Confirm the motor shaft diameter before selecting the input bore size.
Motor Pilot Diameter
The pilot diameter helps align the servo motor and reducer accurately.
Mounting Hole Pitch
Check the motor mounting hole distance to match the adapter flange.
Output Shaft Diameter
Select the reducer output shaft according to the driven mechanism.
Reducer Operating Condition Selection Table
The service factor should be selected according to load type, starts per hour, and daily operating time. For continuous operation or large output inertia, a larger gearbox model may be recommended.
| Load Type | Starts per Hour (Z) | h < 4 | 4 ≤ h < 8 | 8 ≤ h < 12 | 12 ≤ h < 16 | 16 ≤ h < 24 |
|---|---|---|---|---|---|---|
| Even and Stable Load | Z ≤ 10 | 0.9 | 1.0 | 1.1 | 1.4 | 1.8 |
| 10 ≤ Z ≤ 30 | 1.0 | 1.2 | 1.3 | 1.6 | 2.0 | |
| 30 ≤ Z ≤ 100 | 1.2 | 1.4 | 1.5 | 1.8 | 2.2 | |
| Medium Shock Load | Z ≤ 10 | 1.4 | 1.5 | 1.8 | 2.2 | |
| 10 ≤ Z ≤ 30 | 1.4 | 1.6 | 1.65 | 2.0 | 2.5 | |
| 30 ≤ Z ≤ 100 | 1.6 | 1.8 | 2.0 | 2.2 | 2.8 | |
| Heavy Shock Load | Z ≤ 10 | 1.6 | 1.8 | 2.2 | 2.2 | 2.8 |
| 10 ≤ Z ≤ 30 | 1.8 | 2.0 | 2.4 | 2.4 | 3.0 | |
| 30 ≤ Z ≤ 100 | 2.0 | 3.0 | 2.7 | 2.7 | 3.3 |
Reducer Performance Parameter Table
The following data summarizes the VRB Series inline planetary gearbox range. Detailed selection should be confirmed according to ratio, torque, speed, load condition, and servo motor model.
| Item | Unit | Ratio | VRB60 | VRB90 | VRB120 | VRB140 | VRB180 |
|---|---|---|---|---|---|---|---|
| Frame Sizes | – | – | 60 | 90 | 120 | 140 | 180 |
| Ratio Range | – | – | L1: 3–10 / L2: 12–100 | ||||
| Rated Output Torque T2N | N·m | 3 | 55 | 130 | 208 | 430 | 720 |
| Rated Output Torque T2N | N·m | 4 | 60 | 160 | 330 | 650 | 1200 |
| Rated Output Torque T2N | N·m | 5 | 60 | 160 | 330 | 650 | 1200 |
| Rated Output Torque T2N | N·m | 7 | 50 | 140 | 300 | 550 | 1100 |
| Rated Output Torque T2N | N·m | 10 | 45 | 100 | 170 | 390 | 650 |
| Maximum Output Torque T2B | N·m | 3–100 | 2.5 × rated torque | ||||
| Rated Input Speed n1N | rpm | 3–100 | 4000 | 4000 | 4000 | 3000 | 3000 |
| Maximum Input Speed n1B | rpm | 3–100 | 8000 | 8000 | 8000 | 6000 | 6000 |
| Helical Gear Precision Clearance P2 | arcmin | L1 | ≤3–5 | ≤2–4 | ≤2–4 | ≤2–4 | ≤3–5 |
| Helical Gear Precision Clearance P2 | arcmin | L2 | ≤5–7 | ≤4–6 | ≤4–6 | ≤4–6 | ≤5–7 |
| Torsional Rigidity | N·m/arcmin | 3–100 | 7 | 14 | 25 | 50 | 145 |
| Allowable Radial Force F1 | N | 3–100 | 1530 | 3250 | 6700 | 9400 | 14500 |
| Allowable Axial Force F2 | N | 3–100 | 765 | 1625 | 3350 | 4700 | 7250 |
| Service Life | hr | 3–100 | 30000 h continuous operation | ||||
| Efficiency η | % | L1 | ≥97% | ||||
| Efficiency η | % | L2 | ≥94% | ||||
| Weight | kg | L1 | 1.3 | 3.4 | 8.2 | 15.5 | 30 |
| Weight | kg | L2 | 1.5 | 4 | 9.3 | 16.5 | 33 |
| Noise | dB | 3–100 | ≤56 | ≤60 | ≤60 | ≤63 | ≤67 |
| Protection Level | – | 3–100 | IP65 | ||||
| Installation Method | – | 3–100 | Arbitrary | ||||
| Operating Temperature | ℃ | 3–100 | -10℃ to +90℃ | ||||
Moment of Inertia of Reducer
Moment of inertia is important for servo motor matching, acceleration, deceleration, and positioning control.
| Series | Ratio | VRB60 | VRB90 | VRB120 | VRB140 | VRB180 |
|---|---|---|---|---|---|---|
| L1 / kg·cm² | 3 | 0.23 | 0.97 | 2.95 | 9.86 | 28.9 |
| 4 | 0.18 | 0.67 | 2.87 | 7.54 | 25.03 | |
| 5 | 0.17 | 0.65 | 2.71 | 7.42 | 23.29 | |
| 7 | 0.14 | 0.60 | 2.62 | 7.14 | 22.48 | |
| 10 | 0.14 | 0.58 | 2.57 | 7.03 | 22.51 | |
| L2 / kg·cm² | 16 | 0.18 | 0.65 | 0.58 | 2.8 | 7.42 |
| 20–35 | 0.17 | 0.6 | 0.47 | 2.71 | 7.06 | |
| 40–100 | 0.04 | 0.58 | 0.44 | 2.57 | 7.06 |
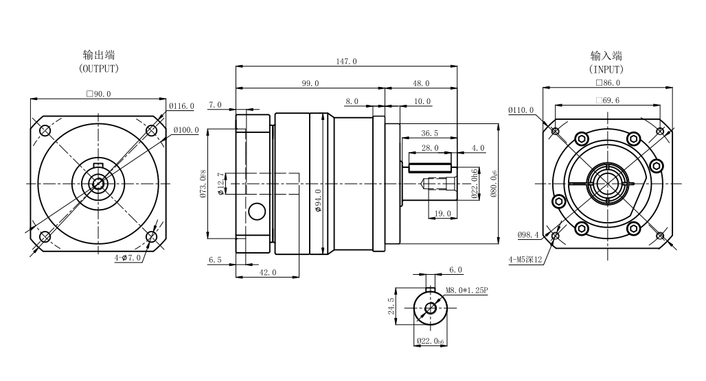
Outline Dimensional Drawing
The outline dimensional drawing provides detailed information on the installation envelope, input and output structure, shaft dimensions, flange sizes, and mounting hole positions. High-resolution drawings ensure accurate integration with servo motors and industrial equipment.
Typical Applications
VRB Series inline planetary gearboxes are suitable for machines requiring compact coaxial drive, stable torque transmission, and precise servo motion control.
CNC Machines
Used in feed axes, tool changers, auxiliary positioning systems, and rotary fixtures.
View CNC ApplicationsRobotics
Suitable for robot arms, grippers, linear modules, and servo positioning systems.
View Robotics ApplicationsAutomation Equipment
Applied in assembly machines, transfer systems, inspection equipment, and indexing units.
View Automation ApplicationsPackaging Machinery
Used in feeding, labeling, sealing, synchronized motion, and packaging line transmission systems.
View Packaging ApplicationsHow to Select a VRB Planetary Gearbox
Before selecting a VRB inline planetary gearbox, confirm required output torque, reduction ratio, backlash level, servo motor frame size, shaft diameter, flange size, input speed, radial load, axial load, duty cycle, and available installation space. For high-frequency operation or shock load conditions, a larger frame size may be recommended.
Related Planetary Gearbox Series
Need Help Selecting a VRB Gearbox?
Send your motor model, torque requirement, speed ratio, installation space, and load condition. Our team can help recommend a suitable VRB inline planetary gearbox.
Contact Us